Crosman 1377c projekt

Uradi sam, iskustva, savjeti, prijedlozi, slike vaših radova...
Post Reply
User avatar
mesko
Razvodnik
Razvodnik
Posts: 72
Joined: 08 May 2009, 06:40
Location: čakovec

Crosman 1377c projekt

Post by mesko » 28 Feb 2011, 20:06

Nabavljeni Crosman 1377c odmah da napišem nekoliko riječi o tom pištolju.
Na prvi pogled plastika na njemu ko na dječjim pištoljima iz kineskih dućana na drugi pogled potvrđeno da je na njemu plastika katastrofalna, mislim na rukohvat i rukohvat pumpe.
U ruci djeluje robusno (osim plastike) prednji dio teži i sa dugačkom cijevi cca 26 cm i dugom nišanskom linijom.
Nišani loši, podešavanje zadnjeg nišana skoro nikakvo, kombinacija plastike i lima, prednji nišan plastičan nema mogućnost podešavanja.
Prvo pucanje nakon 5 pumpanja ugodno iznenađenje skoro da nema trzaja, preciznost skoro nikakva na 10 m, Nakon što sam stražnji nišan spustio skroz do kraja jedno ručnim hvatom radim grupu u 12 cm što je isključivo moja greška što uviđam kad sam pucao sa dvije ruke i počeo raditi grupu u 6 cm a kad sam pucao iz naslona uspio sam na 10 m 3 metka staviti u grupu od 3 cm.
Sa 10 pumpanja pištolj i dalje nema skoro nikakav trzaj ali je jako glasan.

Ako to ima ikakvi iskustva sa ti pištoljem slobodno neka napiše svoja iskustva

Pošto ameri rade puno prerada odlučio sam i ja nešto sam pokušati te ću to podijeliti sa vama.
Za početak ću raditi kundak iz bukve, te sam spreman za savjete i kritike.
Evo par slika koliko sam do sada uradio.
Attachments
1 crosman 1377.jpg
Idejni plan
Idejni plan
skica na drvetu
skica na drvetu
Pripasavanje kundaka na rukohvat pištolja
Pripasavanje kundaka na rukohvat pištolja
Nakon lijepljena kundak stavljen na pištolj
Nakon lijepljena kundak stavljen na pištolj
5 crosman 1377.jpg
6 crosman 1377.jpg
Drvo nije do kraja obrađeno već samo grubi radovi.
Drvo nije do kraja obrađeno već samo grubi radovi.
Pištolj je bolje imati a ne trebati, nego ne imati a trebati.

User avatar
karabalic
Cinker - bojna
Cinker - bojna
Posts: 370
Joined: 10 Oct 2010, 13:19
Location: Gradište
Contact:

Re: Crosman 1377c projekt

Post by karabalic » 28 Feb 2011, 21:01

Pozdrav, i ja posjedujem isti.
nemogu pogoditi ništa s njime tj grupe ako se mogu tako nazvati su kao da sam baci šaku dijabola rukom, ali to najviše prepisujem lošim nišanima.

Ima dosta dugu cijev, možeš pucati s 3-5-7-10 pumpanja mjerio sam Cronyem i jako dobro i konstantno.

E sad ono bitno improvizirao sam nosač za red dot i na 5 metra sve u 5 cm, znaći pištolj je ok, samo mi falšamo. :A15:


Pitanje:? POŠTO SI KRENUO U IZGRADNJU KUNDAKA I RUČKE ZANIMA I MENE DALI BI USLUŽNO UZ NAKNADU NAPRAVIO I MENI, NIJE POTREBNO BOJANJE NITI FINA OBRADA, A MOŽE I U KOMPLETU.

NISAM TI SLAO NA PM JER MI SE SVIĐA KADA SI NETKO DA TRUDA I PODJELI S SVIMA.
Volim crno pa makar i ofarbano.......

User avatar
mesko
Razvodnik
Razvodnik
Posts: 72
Joined: 08 May 2009, 06:40
Location: čakovec

Re: Crosman 1377c projekt

Post by mesko » 28 Feb 2011, 21:24

Ma nešto ćemo dogovoriti dok ovaj završim, sada će ići polako jer opet nemam puno vremena a i nisam kod kuće pa će nastavak radova biti kroz tjedan dva.

E daj molim te poslikaj kako si improvizirao nosače za red dot jer ja imam neku TASCO 4X32 optiku koju ne koristim pa bi ju pokušao staviti na ovaj "mini karabin".
Pištolj je bolje imati a ne trebati, nego ne imati a trebati.

User avatar
karabalic
Cinker - bojna
Cinker - bojna
Posts: 370
Joined: 10 Oct 2010, 13:19
Location: Gradište
Contact:

Re: Crosman 1377c projekt

Post by karabalic » 28 Feb 2011, 21:30

Na zadnji vijak od nišana sam zavrnuo nosać i stavio red dot, ali ništa posebno, dao sam tokaru da mi napravi od Weaver šine original utor tako da će biti kao u fabrici, pa onda poslikat, ovo je zasad samo bila proba dali valja pištolj. :A03:
Volim crno pa makar i ofarbano.......

ruger357
Razvodnik
Razvodnik
Posts: 100
Joined: 21 Oct 2010, 12:25

Re: Crosman 1377c projekt

Post by ruger357 » 01 Mar 2011, 00:45

stari model i to dobar..ne velim samo ja.naišel sam na puno testova u časopisima i netu i svi ga hvale..isprobal ga i dosta fine grupe se daju napraviti sa 5-6 pumpanja pogotovo dok se nasloniš..jedino plastika ružna,smeđa,jeftina,nišani ne vrli..sve se to da srediti,i ti si sam lepo počel sam te truda i vremena košta..vredi tih 690kn kolko je u detonexu..

User avatar
mesko
Razvodnik
Razvodnik
Posts: 72
Joined: 08 May 2009, 06:40
Location: čakovec

Re: Crosman 1377c projekt

Post by mesko » 03 Mar 2011, 15:44

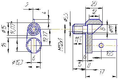
Evo imam jedno pitanje za znalce, majstore. Koliko bi došlo da mi netko izradi ovo ne znam kako bi to nazvao ameri to zovu "Steel Breech".
Attachments
long brich.jpg
Također planiram i ovo dati izraditi
Također planiram i ovo dati izraditi
Pištolj je bolje imati a ne trebati, nego ne imati a trebati.

User avatar
mesko
Razvodnik
Razvodnik
Posts: 72
Joined: 08 May 2009, 06:40
Location: čakovec

Re: Crosman 1377c projekt

Post by mesko » 14 Mar 2011, 13:05

Ovaj vikend pronašao 2 sata pa sam radio na rukohvatu kundaka , završen osnovni oblik sada je potrebna fina obrada. Da ne duljim evo par slika
Attachments
ljevo.jpg
desno.jpg
gore.jpg
Pištolj je bolje imati a ne trebati, nego ne imati a trebati.

D_Magnum
Razvodnik
Razvodnik
Posts: 68
Joined: 19 Mar 2010, 20:51
Location: Winterthur Svicarska

Re: Crosman 1377c projekt

Post by D_Magnum » 19 Mar 2011, 00:20

sad smirgle kolega i udri lagano grubo pa fino

a nije lose dao si mi jednu ideju
:A28:

User avatar
mesko
Razvodnik
Razvodnik
Posts: 72
Joined: 08 May 2009, 06:40
Location: čakovec

Re: Crosman 1377c projekt

Post by mesko » 16 Apr 2011, 22:35

Malo se radilo na ručici pumpe, a sad najdosadnije šmirglanje.
Attachments
a1.jpg
a2.jpg
a3.jpg
Pištolj je bolje imati a ne trebati, nego ne imati a trebati.

User avatar
Mike_Torello
Fleet Admiral
Fleet Admiral
Posts: 6681
Joined: 30 Mar 2008, 20:55
Location: Zagreb

Re: Crosman 1377c projekt

Post by Mike_Torello » 16 Apr 2011, 23:55

A najvise posla ima sa smirglanjem, a vidim da tebe ceka jos puuuuno posla =(
"Oružje ima dva neprijatelja - Hrđu i POLITIČARE!"
"Pelene i POLITIČARE treba često mjenjati... iz istog razloga... JER SU USRANI!"

User avatar
mesko
Razvodnik
Razvodnik
Posts: 72
Joined: 08 May 2009, 06:40
Location: čakovec

Re: Crosman 1377c projekt

Post by mesko » 27 Apr 2011, 13:54

Da smirglanje :roll: , ovaj put se nije ništa radilo, ali stigli su nosači za optiku pa je ista na montirana :biggrin:
Optika je jeftinjak "Tasco 4x32c" iz DX. Ali pošto pištolj nema trzaja sasvim zadovoljava za prvu silu.
Attachments
optika.jpg
Pištolj je bolje imati a ne trebati, nego ne imati a trebati.

User avatar
Mike_Torello
Fleet Admiral
Fleet Admiral
Posts: 6681
Joined: 30 Mar 2008, 20:55
Location: Zagreb

Re: Crosman 1377c projekt

Post by Mike_Torello » 27 Apr 2011, 17:58

u ovom slucaju buduci da ima dovoljno mjesta si mogao uzeti niske dvodjelne nosace, posto nema trzaja pa nema bas ni neke potrebe za jednodjelnim nosacem, a spustili bi os optike blize osi cijevi...
"Oružje ima dva neprijatelja - Hrđu i POLITIČARE!"
"Pelene i POLITIČARE treba često mjenjati... iz istog razloga... JER SU USRANI!"

User avatar
mesko
Razvodnik
Razvodnik
Posts: 72
Joined: 08 May 2009, 06:40
Location: čakovec

Re: Crosman 1377c projekt

Post by mesko » 27 Apr 2011, 20:16

Prihvaćam kritiku i sugestiju, ali pošto su nosači bili na akcijskoj ponudi "bog plati" bolje nije išlo :D
Niži nosači malo uzimaju mjesto za stavljanje dijabole ali opet ništa strašno, većinom zbog tog razloga stavljaju više nosače. http://www.pyramydair.com/cgi-bin/zoome ... el_id=1563
Ali sve što si ti naveo stoji i u potpunosti je točno.
Pištolj je bolje imati a ne trebati, nego ne imati a trebati.

User avatar
nan
Pozornik
Pozornik
Posts: 20
Joined: 17 Jul 2010, 18:54

Re: Crosman 1377c projekt

Post by nan » 13 Aug 2011, 01:59

Što ste vi kipari, kad imate tako smisla za napraviti. :A28:
Osveta je jedini nčin da se zadovolji pravda

User avatar
mesko
Razvodnik
Razvodnik
Posts: 72
Joined: 08 May 2009, 06:40
Location: čakovec

Re: Crosman 1377c projekt

Post by mesko » 23 Aug 2011, 22:28

Gotov je kundak bio već pred par mjeseci samo nikako da ga poslikam i stavim slike pa evo ih :wink:
Attachments
b1.jpg
b2.jpg
b3.jpg
b4.jpg
b5.jpg
Pištolj je bolje imati a ne trebati, nego ne imati a trebati.

spetsnaz-156
Pozornik
Pozornik
Posts: 55
Joined: 09 Jul 2011, 16:14

Re: Crosman 1377c projekt

Post by spetsnaz-156 » 23 Aug 2011, 23:53

imam taj pistolj nekih 2-3 godine,

obzirom na cijenu nikakvih prigovora,

plastika drek, preciznost zadovoljavajuca,

kcer kad ga se ulovi ispuca bar 100 diabola dok joj ne dosadi

User avatar
gun_hater
Narednik
Narednik
Posts: 421
Joined: 17 Nov 2010, 15:36

Re: Crosman 1377c projekt

Post by gun_hater » 24 Aug 2011, 00:55

Kundak izgleda mrak :A28:

PUNISHER1987
Nadnarednik
Nadnarednik
Posts: 582
Joined: 01 Feb 2011, 22:20
Location: Vidovice

Re: Crosman 1377c projekt

Post by PUNISHER1987 » 24 Aug 2011, 01:02

Što se tiče kundaka, izvrsno napravljeno, iskreno izgleda predobro!!
Samo nastavi tako!! :A27:
To sin by silence, when we should protest, makes cowards out of men.

User avatar
Original_G
Cinker - bojna
Cinker - bojna
Posts: 1772
Joined: 04 Apr 2008, 19:52
Location: Čakovec

Re: Crosman 1377c projekt

Post by Original_G » 24 Aug 2011, 10:06

sused pa to izgleda perfektno, prodaješ??
武士道

Ognjem i mačem.

User avatar
mesko
Razvodnik
Razvodnik
Posts: 72
Joined: 08 May 2009, 06:40
Location: čakovec

Re: Crosman 1377c projekt

Post by mesko » 24 Aug 2011, 16:08

Možda ako se odlučim napraviti nešto drugo za sada se nisam još izguštao :mrgreen:
Pištolj je bolje imati a ne trebati, nego ne imati a trebati.

Post Reply

Who is online

Users browsing this forum: No registered users and 1 guest